Produits
ACCUEIL > Produits
Disjoncteur à vide SF6 extérieur série ZW20
  • Disjoncteur à vide SF6 extérieur série ZW20Disjoncteur à vide SF6 extérieur série ZW20
  • Disjoncteur à vide SF6 extérieur série ZW20Disjoncteur à vide SF6 extérieur série ZW20

Disjoncteur à vide SF6 extérieur série ZW20

Le disjoncteur à vide SF6 extérieur série ZW20 de haute qualité de Comewill Factory est un disjoncteur à vide haute tension extérieur conçu pour les systèmes d'alimentation CA triphasés 12 kV, 50 Hz. C'est un outil incontournable pour gérer et protéger les courants de charge, les surcharges et les courants de court-circuit, que ce soit dans les réseaux de distribution, les sous-stations, les installations industrielles ou les installations électriques rurales. Il fonctionne particulièrement bien dans les scénarios nécessitant un fonctionnement fréquent ou une intégration automatisée au réseau.

En tant que fabricant professionnel du disjoncteur à vide SF6 extérieur série ZW20 en Chine, Comewill, ce disjoncteur de haute qualité intègre une technologie avancée d'extinction d'arc sous vide et utilise le gaz SF6 comme moyen isolant. Nous avons intégré la technologie structurelle japonaise Toshiba VSP5 pour ses capacités d'étanchéité aux gaz, d'isolation et antidéflagrantes. L'étanchéité est donc de premier ordre, aucune fuite de gaz SF6 et elle fonctionne de manière fiable quelles que soient les conditions environnementales.

Son mécanisme à ressort est compact, avec des optimisations pour une meilleure fiabilité et stabilité. Nous avons utilisé un entraînement direct par chaîne et un système de déclenchement à plusieurs étages, ce qui rend ses performances bien meilleures que les mécanismes à ressort traditionnels. Le circuit principal présente une structure de bracelet à expansion interne et à contraction externe : cette conception maintient la résistance de contact faible et réduit l'augmentation de la température pendant le fonctionnement.

Caractéristiques du produit

Le boîtier de ce disjoncteur à vide SF6 extérieur série ZW20 utilise la technologie de structure scellée au gaz, antidéflagrante et isolante VSP5. Nous avons également amélioré les performances d'étanchéité des conduits d'entrée et de sortie. L’ensemble de l’unité bénéficie d’une étanchéité de premier ordre : le gaz SF6 interne ne fuira pas du tout et il fonctionne de manière stable, quelles que soient les conditions environnementales difficiles.

Son mécanisme à ressort a été miniaturisé et optimisé pour une fiabilité et une stabilité maximales. Nous avons adopté un entraînement principal par chaîne à action directe et un système de découplage à plusieurs étages, de sorte que sa fiabilité opérationnelle et sa stabilité sont bien supérieures aux mécanismes nationaux traditionnels à ressort, comme une amélioration de plusieurs fois des performances.

La connexion de l’arbre et du manchon du circuit principal utilise une structure de chaîne de table à fermeture vers l’intérieur et à tension vers l’extérieur. Cette conception maintient la résistance de contact du circuit principal à une valeur ultra-basse, ce qui entraîne une augmentation minimale de la température pendant le fonctionnement.

Le disjoncteur à vide SF6 extérieur de la série ZW20 fabriqué en Chine est également doté de fonctions pratiques supplémentaires : une protection contre les surintensités, un indicateur de stockage d'énergie à ressort de mécanisme et une prise aviation pour les connexions électriques secondaires. Il est très facile de l’associer à des contrôleurs intelligents.

De plus, ce produit est entièrement compatible avec les contrôleurs dotés d'une excellente fonctionnalité de réenclenchement, répondant parfaitement aux exigences des systèmes d'automatisation de la distribution d'énergie.

Spécification du produit :

Article Unité Données
Tension nominale kV 12
Fréquence nominale Hz 50
Courant nominal A 630
Courant nominal de coupure de court-circuit kA 20
Courant de fabrication nominal (crête) kA 50
Courant dynamique nominal (crête) kA 50
Courant de tenue de courte durée évalué à 4 s kA 20
Séquence de fonctionnement nominale
Ouvert–0,3s–Fermé Ouvert–180s–Fermé Ouvert
Tension nominale du moteur de stockage d'énergie V AC220
Tension maximale/minimale du moteur de stockage d'énergie V AC242/AC18

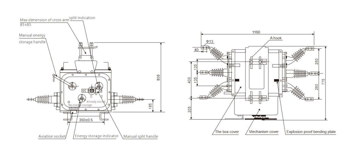
APERÇU ET DIMENSION DE L'INSTALLATION

Conseils de commande

Nous avons passé en revue ici en détail les principales caractéristiques, les spécifications techniques et les domaines dans lesquels il fonctionne le mieux pour l'extérieur SF6. Pour vous assurer d'obtenir le bon modèle, y compris les modifications personnalisées, gardez ces points simples à l'esprit lors de la commande :

Précisez vos besoins fondamentaux : indiquez-nous la tension nominale, le courant et le courant de coupure en court-circuit dont vous avez besoin. Si vous souhaitez des extras comme des sectionneurs ou des fonctions de communication, mentionnez-les simplement clairement.
Partagez vos conditions sur site : parlez-nous de l'environnement dans lequel le marteau sera utilisé : des éléments tels que l'altitude, la plage de température et le niveau de pollution. Cela garantit qu’il résiste de manière fiable dans votre configuration spécifique.
Mentionnez toute demande personnalisée : si vous avez besoin de configurations non standard, de fonctionnalités de protection supplémentaires ou si vous souhaitez que cela fonctionne avec un système de contrôle spécifique, donnez-nous autant de détails que possible.

Besoin d'une solution sur mesure, d'une configuration unique ou vous avez des questions sur l'utilisation de ce disjoncteur dans des scénarios non standard ? Notre équipe technique est là pour vous aider à obtenir exactement ce dont vous avez besoin. Contactez-nous dès aujourd’hui pour discuter de vos besoins.

Balises actives: Disjoncteur à vide SF6 extérieur série ZW20, Chine, fabricant, fournisseur, usine, vente en gros, personnalisé, en stock, fabriqué en Chine, prix bas, qualité
envoyer une demande
Informations de contact
  • Adresse

    No.777 Wanweng Road, sous-district de Wengyang, ville de Yueqing, ville de Wenzhou, province du Zhejiang, Chine

Envoyez une demande à Comewill pour des appareils de commutation, des disjoncteurs à vide et des transformateurs de courant. Obtenez des devis personnalisés, des prix bas ou l'assistance d'experts de notre équipe d'usine en Chine.
X
Nous utilisons des cookies pour vous offrir une meilleure expérience de navigation, analyser le trafic du site et personnaliser le contenu. En utilisant ce site, vous acceptez notre utilisation des cookies. politique de confidentialité
Rejeter Accepter